The FIRST® A301, as introduced in the December 8 “Control System Update – FIRST® Tech Challenge Edition” blog post, is the new standardized smart motor designed to power FIRST Tech Challenge robots starting in the 2027-28 season. The A301 replaces the scattered landscape of FIRST Tech Challenge motors and servos with one unified, high-performance actuator solution. This actuator was created through direct collaboration between FIRST® and REV Robotics, with input from other vendors, to simplify robot design, increase competitive parity, and raise reliability across the program. The A301 brings brushless performance, precise servo behavior, and a modern CAN (controller area network) based communication and control architecture into a single compact package.

Introducing the FIRST A301
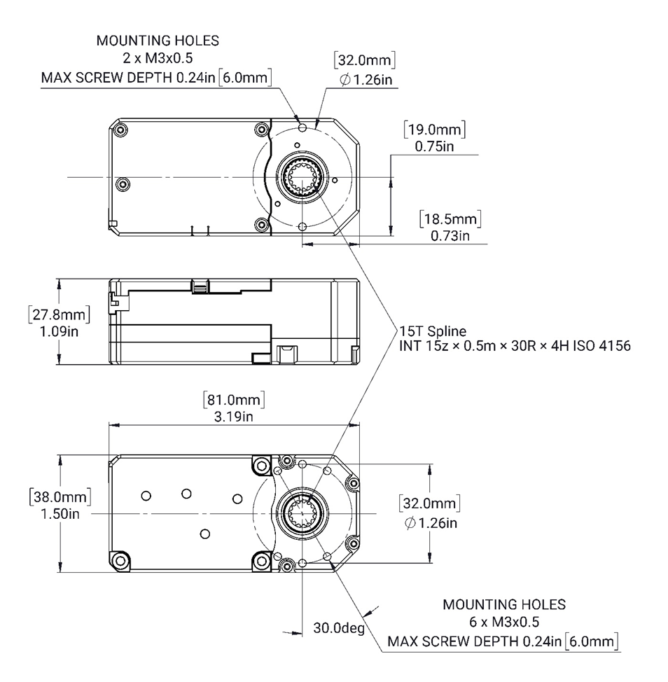
The A301 is built to serve as both a motor and a servo equivalent. In closed-loop mode, it can mimic the behavior of a standard servo with consistent positioning and speed control. In open loop mode, it provides smooth, efficient brushless power for drivetrains, mechanisms, and high-load applications. The A301 uses a universal mounting pattern that is compatible with most existing build systems, a 15-tooth ISO spline shaft with an 8 mm round profile, and a modular gearbox interface that allows teams to choose the ratio that best suits their design. All configuration and tuning is handled through Motioncore, keeping setup simple and consistent.
Key Specifications
-
Brushless motor architecture
-
Supports both servo emulation (closed loop) and standard motor operation (open loop)
-
CAN communication and power through a 4 pin Molex Micro-Fit+ connector
-
Compatible with Motioncore configuration software
-
15T spline output shaft with 8 mm round profile (an established standard in the FIRST Robotics Competition ecosystem)
-
Modular swappable gearbox interface (multiple ratios available at launch)
-
24V - 12V voltage compensation range for consistent performance
-
Integrated absolute encoder on the output
-
30 watts peak motor power (final accessible power will be set via manufacturer software limiting)
-
Small Form Factor (38 mm x 28 mm x 81 mm)
Motor & Servo Legality in FIRST
Starting in the 2027-28 season with the launch of the new Systemcore and Motioncore for FIRST Tech Challenge, the FIRST A301 will be the only legal actuator for competition use with the new control system. No other motors or servos will be legal for use with the new controller ecosystem.
As mentioned in the control system update blog yesterday, FIRST Tech Challenge will continue to allow for legacy and hybrid control system configurations until at least the 2030-31 season. The legacy configuration consists of using the REV Control Hub and Expansion Hub with existing standalone motors and servos, but will not allow use of the A301. There will also be at least one hybrid configuration using a Systemcore with REV Expansion Hubs. Alpha testing results will help us determine if there are other hybrid configurations which might incorporate a mixture of legacy motors and the new FIRST A301. More detailed hardware legality roadmap information will be available after alpha testing.
We plan that the FIRST A301 will also be available and legal for use in FIRST® Robotics Competition starting in the 2027 season.
About this Change
We recognize that this is a significant change and will be disruptive to the status quo for many teams. We feel strongly this is an important change and want to smooth the transition as much as possible, which is why we’re rolling this out over multiple years with multiple options available during the transition period. Our goal is to ensure that every student has access to reliable, high-quality technology that supports learning and creativity while ensuring the long-term health and impact of our sport. Over the past few years, the program has seen an increase in high-performance specialty motors and advanced servos. Unfortunately, many of these do not necessarily meet the program's ease-of-use, cost, and durability needs. These products have helped some teams build impressive robots, and they have also created growing gaps in complexity and performance which has increased the frustrations faced by many teams and friction within the community.
The FIRST A301 is one small part of a long-term effort to proactively manage the barriers to team success by making it easier for all teams to design, build, and compete. By standardizing on a single motor with both high-end performance and servo-style capability, we are simplifying the rules, reducing cost pressure, and making it easier for new and veteran teams to succeed. We believe that once teams experience the consistency, reliability, and capabilities of the A301, they will understand why this change creates a stronger foundation for the program's future.
Distribution and Pricing
The FIRST A301 will be available through the FIRST Storefront individually and in starter kits. Additional units will be available from FIRST approved resellers. REV Robotics exclusively manufactures this actuator for FIRST, and FIRST will select a variety of distributors to ensure this product is widely available and readily accessible to all FIRST teams globally.
Additional information on pricing, availability, and distribution will be available during the 2026 offseason.
Physical Specifications
The A301 actuator is designed to deliver performance similar to the existing 550 motors (and about 2-2.5x the power of a REV Core Hex motor). The motor output is voltage-compensated so that the motor's behavior remains consistent across a wide range of battery voltages.
The small form factor enables better integration into an overall robot, providing teams with new flexibility and more design freedom. Below are some images showcasing the A301 and how it compares to some current commonly used actuators.
-1.png?width=819&height=293&name=image%20(3)-1.png)
FIRST A301 shown compared to some existing legal servo options for scale
.png?width=1125&height=352&name=image%20(4).png)
FIRST A301 shown compared to some existing legal motor options for scale
Preliminary CAD Model Available Today
Using this model, students will begin learning to design with the A301 and see precisely how it will integrate into their robots.
Teams can check out the Onshape model directly or download a 3D STEP file from Onshape. This is a preliminary CAD model, so some details will change based on testing and manufacturability, but we think teams may benefit from early access to a high-fidelity model.

FIRST A301 Prototype Motor with Swappable Gearbox shown as Translucent

Animation showing the FIRST A301 Prototype Motor Gearbox being installed / removed

FIRST A301 Mechanical Drawing
Assembly Overview
The below images show the device assembly and the components of the device.

Annotated Exploded Assembly of the FIRST A301

Annotated FIRST A301 Motor and Interchangeable Gearbox
Gearbox Ratios
The A301 will feature interchangeable gearboxes which allow for speed ranges between 100 RPM and 6,000 RPM. Below is the list of ratios we are currently considering. Based on testing and feedback from the community we will adjust the exact ratios we will offer at release. Gearboxes will be available for sale individually, separately from the main A301 motor.
*Please note, this data is on pre-production test units and may change before final production.

FIRST remains committed to innovation, student learning, and the competitive excitement that makes FIRST Tech Challenge special. This update helps ensure that every team can focus more on creative engineering and less on navigating a complex hardware landscape.
We will announce the selected FIRST Tech Challenge alpha test teams in an upcoming blog. Thank you to the members of the community that have provided input, consultation, and guidance as we have developed this new motor.